VnThemes Title
Mô tả sản phẩm

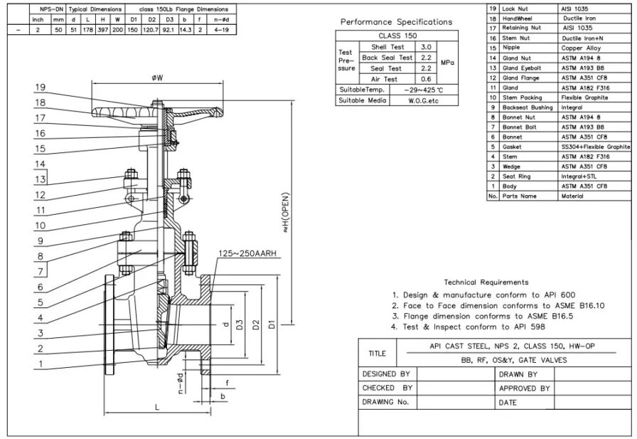
Các van này tự hào có thiết kế nắp bu lông, đầu bích tích hợp RF và thân van nâng, đảm bảo hiệu suất đáng tin cậy.

THÔNG SỐ KỸ THUẬT

Thiết kế: API 602
Vật liệu: ASTM A182 F53
Đường kính thông thường: 1/2 – 2 inch (DN15 – DN50).
Đối diện: ASME B16.10
Kiểm tra và thử nghiệm: API 598
Phạm vi áp suất: Cấp 150-800 LB.
Nhiệt độ làm việc: -29℃ – +300℃.

Van cổng API 602 được chế tạo từ thép không gỉ bền bỉ, các van này có thiết kế thân van nhô lên và nắp van bu lông giúp tăng cường hiện suất và độ tin cậy. Tuân thủ tiều chuẩn API 602, chúng được trang bị đầu nối RF.

Van cổng API 602

Van cổng, ASTM A182 F53

Van cổng ASTM A182 F304, Nắp bu lông

Thông số kỹ thuật Van cổng API 602

Van được trang bị nắp bu lông chắc chắn và nêm đàn hồi cho hiệu suất tối ưu. Vận hành dễ dàng với cơ cấu tay quay. Hay tin tưởng vào van này với RF End để kiểm soát lưu chất hiệu quả.

 

 

 

Đánh giá
Hỗ trợ trực tuyến
0983 811 288
(8:00 - 21:30)
(7h30 - 22h00)